产品中心
 
大功率温控器
突跳式双极温控器
产品型号
KSD301
 
批发价格
| 数量(单位:PCS) | 价格(单位:元)(此单价仅供参考,不同温度价格不同) | 
| 1000以下 | ¥3.90 | 
| 1000-3000 | ¥3.80 | 
| 3000-5000 | ¥3.60 | 
| 5000以上 | ¥3.50 | 
注:以上价格仅供参考,实际准确价格请咨询: 电话:(0755)27553343
技术参数与介绍
突跳式双极温控器(KSD060)是一种同时断开火线、地线的温度控制器,主要用于大功率的家用电器中,能够提高家电产品的安全性。这种温控器有手动复位类型,也有自动复位类型。
本公司在原有的双极温控器的基础上加以改进,克服了原来双极温控器的最大缺点——不能保证同时断开双极(因为原有的双极温控器都是采用一支塑料件来推动两组触点组件的,而那支塑料件不能进行机械加工,只能用人手加工,其效率、精度均不能满足生产的要求),提出在双极温控器内放置两枝陶瓷动作杆,每枝动作杆独立推动一组触点组件,从而保证两组触点同时动作。该产品已申请了国家的专利。
KSD060突跳式双极温控器的技术规格:
额定电压:250V
工作电流:15A (电阻负载),最大负载:20A
动作温度:50 ~ 200

产品寿命:10,000次
接触电阻:≤ 50mΩ
绝缘强度:AC50HZ,2000V历时1分钟无击穿闪络现象
绝缘电阻:> 100MΩ
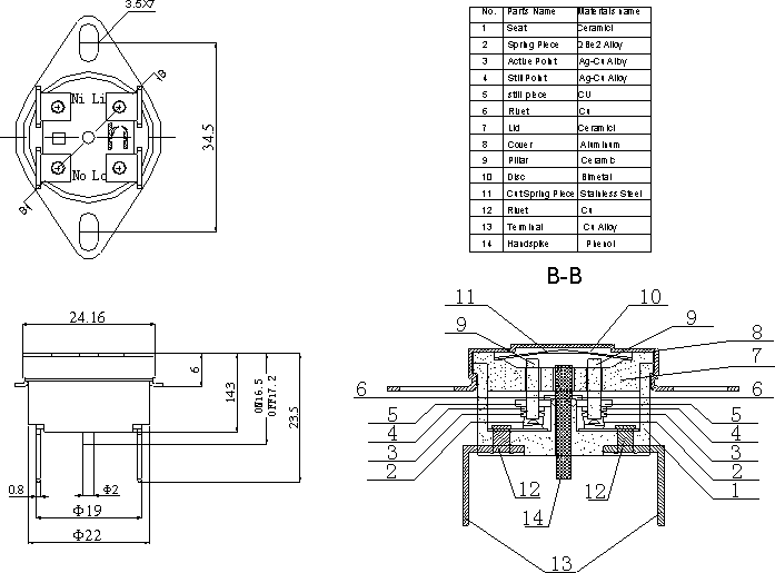
结构和尺寸图:

订货及使用须知: 
- 用户必须根据自己产品的特性,准确测定安装温控器和熔断体部位在热稳定后的实际温度,并经过配套试验确定温控器和熔断体的动作温度,然后提出订货的动作温度值。
- 在订货时,用户必须注明所订温控器和熔断体的型号,并注明温控器的安装孔尺寸和接线端子的尺寸和形状。
- 用户在确实需要时提出的特殊要求,包括温度和外形,本厂均可协商解决。
- 在使用时,全密封型的温控器和熔断体应尽可能使金属外壳紧帖被控产品的安装部位。安装时不可将金属外壳压塌或使其变形。以免动作温度变值或影响其他性能。手动复位型温控器的手动复位操作必须在低于标称动作温度15°下进行,推行应小于30N,以免损坏复位机构。
工作原理
一种用双金属片作为感温组件的温控器,电器正常工作时,双金属片处于自由状态,触点处于闭合/断开状态,当温度达到动作温度时,双金属片受热产生内应力而迅速动作,打开/闭合触点,切断/接通电路,从而起到控温作用。当电器冷却到复位温度时,触点自动闭合/打开,恢复正常工作状态。
 
主要特点
突跳式双极温控器(KSD060)是一种同时断开火线、地线的温度控制器,主要用于大功率的家用电器中,能够提高家电产品的安全性。这种温控器有手动复位类型,也有自动复位类型。
 
应用范围
主要用于大功率的家用电器中,能够提高家电产品的安全性。这种温控器有手动复位类型,也有自动复位类型。
 
97%的用户还看了以下相关产品








